Задний мост Volvo
- Автор
- Сообщение
-
Не в сети
- Заглянувший

- Сообщения: 36
- Зарегистрирован: Вс июл 09, 2006 21:18 pm
- Откуда: , Питер
Задний мост Volvo
Сегодня, наконец, прикупили с товарищем мост от 940 вольвы, самоблок. Много смотрели на него, думали, рассуждали. Ставить собираемся на его 24ку 1978 года, на которой уже стоит передок 31105 на шаровых, а посему запаски - либо две, либо ни одной. Возник ряд вопросов, на которые, возможно, возможно найти ответы.
1. Тормозные диски: Вольвовские имеют хитрую конструкцию - там снаружи диск, а ближе к центру - маленький такой барабан, в который входят колодки ручника. Все ли сохранияли вольводиски, или можно перейти на что-то другое, создав хитровыделанный ручник?
2. Суппорта: вопрос сопряжен с первым. Ясно, что вольвовские суппорта на вольвовские диски встанут идеально, но стоят - по 2500 каждый, плюс пожизненная подписка на вольвоколодки. Можно ли вкорячить туда суппорта 3110 или 3102?
3. Спидометр: кто-нибудь пробовал использовать датчик моста? А то родные спидометры уже немного приелись: врут с 5-ступками, раскачиваются, заедают.
4. Все-таки: ВОЛГОВСКИЙ кардан (прямой) - короче, длиннее, или такой, как надо? Слышали много разного.
Коротко о целях и задачах: хочется оборудовать 24ку товарища данным агрегатом, после чего по свежим следам переоборудовать аналогично мою 3102, с которой неразрезной ЗМ, после установки на него дифференциала повышенного трения, перекинуть на мою 24ку 70 г.в., на которой уже стоит передок 3102, и, соответственно, передок от моей 3102 останется запасным для моей 24-ки. После этого, посмотрев, как все это ездит, разработать некий оптимальный вариант, и поставить его на ГАЗ21 товарища... Простенький такой алгоритм))
UPDATE от TANKER
Накидаю пару полезных ссылок:
Установка моста http://www.drive2.ru/cars/gaz/31/3110/z ... 6153016232
Информация по задним мостам 940-ых http://www.drive2.ru/cars/volvo/940/940 ... al/332906/
Про замену подшипников полуосей http://svr.moscowvolvoclub.ru/forum/ind ... 797&page=2
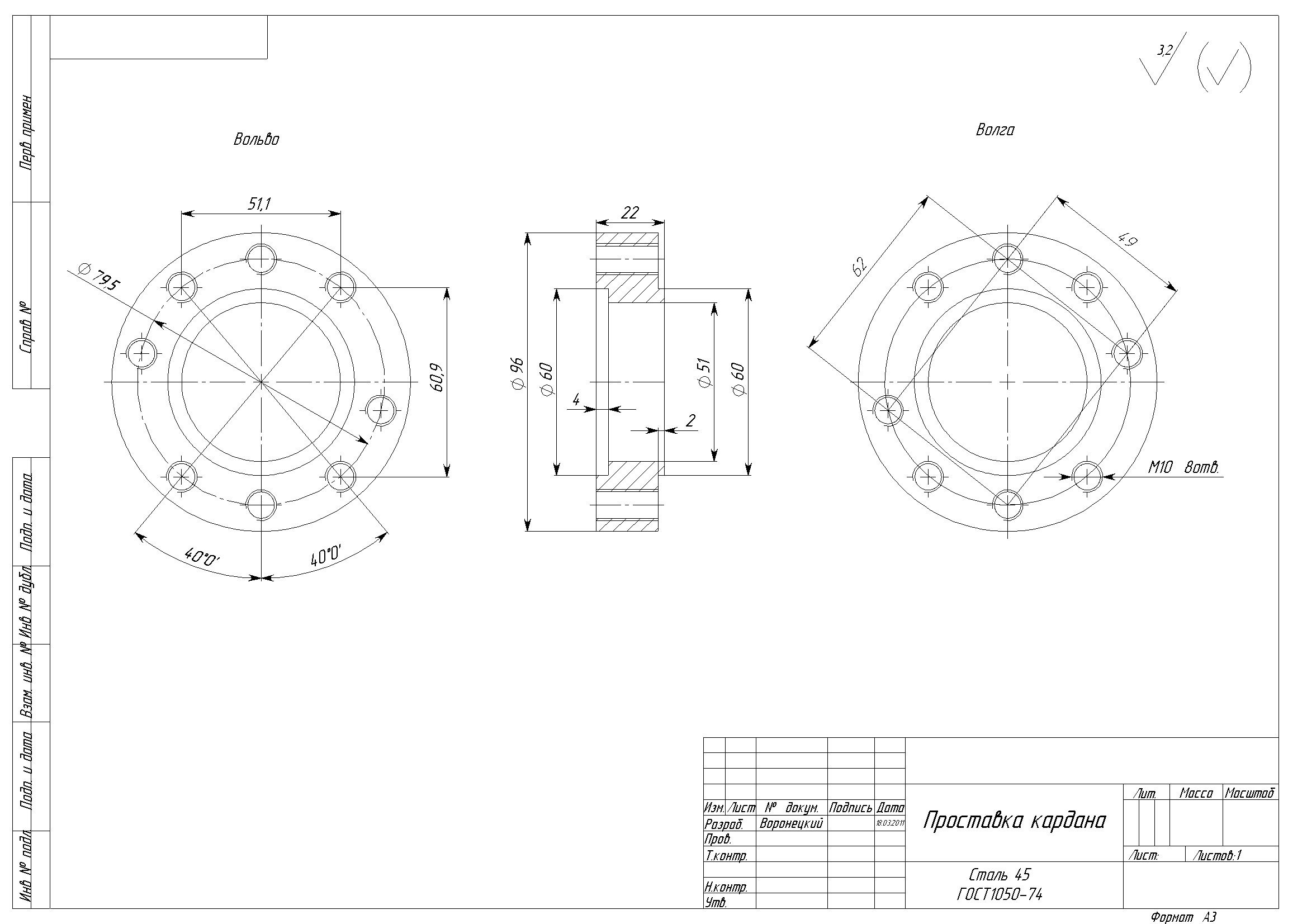
Проставка Нужно сделать по новой замер межосевых ВОЛГО КАРДАНА
1. Тормозные диски: Вольвовские имеют хитрую конструкцию - там снаружи диск, а ближе к центру - маленький такой барабан, в который входят колодки ручника. Все ли сохранияли вольводиски, или можно перейти на что-то другое, создав хитровыделанный ручник?
2. Суппорта: вопрос сопряжен с первым. Ясно, что вольвовские суппорта на вольвовские диски встанут идеально, но стоят - по 2500 каждый, плюс пожизненная подписка на вольвоколодки. Можно ли вкорячить туда суппорта 3110 или 3102?
3. Спидометр: кто-нибудь пробовал использовать датчик моста? А то родные спидометры уже немного приелись: врут с 5-ступками, раскачиваются, заедают.
4. Все-таки: ВОЛГОВСКИЙ кардан (прямой) - короче, длиннее, или такой, как надо? Слышали много разного.
Коротко о целях и задачах: хочется оборудовать 24ку товарища данным агрегатом, после чего по свежим следам переоборудовать аналогично мою 3102, с которой неразрезной ЗМ, после установки на него дифференциала повышенного трения, перекинуть на мою 24ку 70 г.в., на которой уже стоит передок 3102, и, соответственно, передок от моей 3102 останется запасным для моей 24-ки. После этого, посмотрев, как все это ездит, разработать некий оптимальный вариант, и поставить его на ГАЗ21 товарища... Простенький такой алгоритм))
UPDATE от TANKER
Накидаю пару полезных ссылок:
Установка моста http://www.drive2.ru/cars/gaz/31/3110/z ... 6153016232
Информация по задним мостам 940-ых http://www.drive2.ru/cars/volvo/940/940 ... al/332906/
Про замену подшипников полуосей http://svr.moscowvolvoclub.ru/forum/ind ... 797&page=2
Проставка Нужно сделать по новой замер межосевых ВОЛГО КАРДАНА
_________________
ГАЗ-24, 1970 г.
ГАЗ-24, 1970 г.
-
Не в сети
- Заслуженный участник форума

- Сообщения: 1940
- Зарегистрирован: Вс дек 24, 2006 12:11 pm
- Автомобиль: 3102'89 (5vz, МКПП)
- Откуда: Россия, Москва
- Благодарил (а): 3 раза
- Поблагодарили: 5 раз
являясь владельцем 24 с вольвомотом советую не заморачиваться - эффект будет не так крут как этого ждешь - суппорта капризные очень, дорогие + эта ебанутая система ручника (я езжу без него). Затрахаешься с карданом - сплошной чуть длиннее, ломанный чуть короче, а это значит проставки и длинные болты, которые не полезут в штатные отверстия, надо будет рассверливать дыры и тачить шайбы. А вот тут то, вся жопа и заключена, в волгомосте в хвостовике есть площадка для ответной на кардане, а в вольвомосте ясен хер ее придумать не доперли. отсюда после резкого рывка с проворотом колес вертолетная вибрация смещенного кардана + откручивающиеся болты. Причем на сплошном кардане это очень быстро происходит. На ломаном кардане, поставленном немного враспор у меня через 50 км стуканул подвесной. + под волгоколеса ступицу придецца точить + резать серьезные проставки + смотри люфты подшипников полуосей, они регулируются !!! РЕЗИНОВОЙ ПРОКЛАДКОЙ!!! из плюсов моста я вижу только 2 - уменьшенный ход педали и красивый внешний вид. Доведись мне сегодня решать эту задачу - я бы поставил 3110
и ВАЖНО если ты все таки решил ставить мост, ни в коем случае не вари опоры (площадки) моста сам, если ты не профессионал. Лучше найди того, кто делает это профессионально, идеально а главное с ОГРОМНОЙ ТОЧНОСТЬЮ И АККУРАТНОСТЬЮ. НЕЛЬЗЯ перекосить их по оси или тем более приварить даже с миллиметровой разнице по сторонам - мост не всунешь в рессоры, а если и всунешь то при первом торможении на мокром улетишь 100%
Удачи
и ВАЖНО если ты все таки решил ставить мост, ни в коем случае не вари опоры (площадки) моста сам, если ты не профессионал. Лучше найди того, кто делает это профессионально, идеально а главное с ОГРОМНОЙ ТОЧНОСТЬЮ И АККУРАТНОСТЬЮ. НЕЛЬЗЯ перекосить их по оси или тем более приварить даже с миллиметровой разнице по сторонам - мост не всунешь в рессоры, а если и всунешь то при первом торможении на мокром улетишь 100%
Удачи
-
Не в сети
- Заглянувший

- Сообщения: 14
- Зарегистрирован: Вт июл 15, 2008 1:03 am
-
Не в сети
- Дядя Серёжа R.I.P

- Сообщения: 2149
- Зарегистрирован: Ср май 03, 2006 17:52 pm
- Автомобиль: ГАЗ-24
- Откуда: Россия, Питер. ГАЗ-24+406+5кпп+ГУР
- Поблагодарили: 50 раз
Zvag, без флейма. Стукнись к Сергей Михалычу (Skor31029 на автору) он себе вольво мост замутил. Все тонкости расскажет потому как сам всё делал :sm36:
Пока поизучай его фотки:
http://photofile.ru/users/skor31029/2471224/
http://photofile.ru/users/skor31029/115134363/
http://photofile.ru/users/skor31029/2502985/
Пока поизучай его фотки:
http://photofile.ru/users/skor31029/2471224/
http://photofile.ru/users/skor31029/115134363/
http://photofile.ru/users/skor31029/2502985/
_________________
Все мои фотки тут: http://photofile.name/users/45-45/
Все мои фотки тут: http://photofile.name/users/45-45/
-
Не в сети
- Заслуженный участник форума

- Сообщения: 3122
- Зарегистрирован: Ср янв 03, 2007 19:26 pm
- Автомобиль: ВАЗ-21213 "Нива"
- Откуда: РФ, Саратов
- Благодарил (а): 10 раз
- Поблагодарили: 14 раз
Re: Задний мост Volvo
Если не нравиться система, то есть гидроручник. Стоит около 4000. Можно и самодельный сделать на базе ГЦС.Zvag писал(а):1. Тормозные диски: Вольвовские имеют хитрую конструкцию - там снаружи диск, а ближе к центру - маленький такой барабан, в который входят колодки ручника. Все ли сохранияли вольводиски, или можно перейти на что-то другое, создав хитровыделанный ручник?
А нужно ли??? Вольво суппорта думаю качественнее будут чем Волго.Zvag писал(а):2. Суппорта: вопрос сопряжен с первым. Ясно, что вольвовские суппорта на вольвовские диски встанут идеально, но стоят - по 2500 каждый, плюс пожизненная подписка на вольвоколодки. Можно ли вкорячить туда суппорта 3110 или 3102?
_________________
http://www.drive2.ru/cars/lada/4x4_3d/4x4_3d/sdstudio Я на DRIVE2.RU
http://www.drive2.ru/cars/lada/4x4_3d/4x4_3d/sdstudio Я на DRIVE2.RU
-
Не в сети
- Заслуженный участник форума

- Сообщения: 3122
- Зарегистрирован: Ср янв 03, 2007 19:26 pm
- Автомобиль: ВАЗ-21213 "Нива"
- Откуда: РФ, Саратов
- Благодарил (а): 10 раз
- Поблагодарили: 14 раз
Инфа в FAQ
Идентификация
См. рис. 1 и 2
Передаточное число заднего моста и идентификационный номер (номер узла) содержатся на этикетке, размещенной с левой стороны картера моста (рис. 3), и расшифровываются следующим образом:
Volvo 1030 - стандартный задний мост (снят с производства)
Volvo 1031- для машин с повышенной грузоподъемностью (снят с производства)
Volvo 1041 - задний мост с зависимой подвеской (предназначен для тяжелых условий эксплуатации, создан на базе мостов 1030 и 1031, снятых с производства)
Volvo 1035 — задний мост с независимой подвеской
Volvo 1045 — задний мост с независимой подвеской и с втоматической блокировкой дифференциала


Рис.1. C зависимой подвеской — тип 1030, 1031 и 1041

Рис. 2. Задние мосты с независимой подвеской — тип 1035 и 1045

Рис.3 Расположение индификационной наклейки.

Так выглядит индификационная наклейка, у меня от нее остался обрывок. Её содержание (только то что сохранилось):
...... NR 1216147
...... / 121781
Задние мосты типов 1030 и 1031 оснащены устройством, ограничивающим перемещение (скручивание). Данные мосты имеют стальную крышку смотрового люка.
Задний мост 1041 легко определить по алюминиевой крышке смотрового люка.
Некоторые задние мосты оснащены автоматической блокировкой дифференциала. Механизм регулировки приводится в действие центробежным регулятором. Устройство срабатывает автоматически, когда одно из ведущих колес пробуксовывает при скорости автомобиля менее 40 км/час. Когда автомобиль движется с постоянной скоростью, а оба ведущих вала вращаются с одной и той же скоростью, то функции дифференциала такие же, как и у дифференциала общепринятого типа.
Принцип работы заднего моста
Задний мост представляет собой специальный тип трансмиссии, которая уменьшает скорость вращения, идущую от двигателя и коробки передач, и делит мощность между задними колесами. Мощность передается заднему мосту от ведущего вала через двойной фланец. Фланец крепится на валу ведущей шестерни. Вал ведущей шестерни и шестерня передают мощность дифференциалу. Шестерня на конце вала ведущей шестерни приводит в зацепление зубчатый венец, ось вращения которого повернута на 90° относительно ведущей шестерни. Ведущая шестерня и зубчатый венец уменьшают передаточное отношение заднего моста, а также изменяют направление вращения, поворачивая полуоси, которые приводят во вращение оба колеса. Передаточное отношение заднего моста определяется путем деления количества зубьев ведущей шестерни на количество зубьев зубчатого венца ведомой шестерни.
Зубчатый венец приводит в действие чашку дифференциала. Чашка имеет две точки крепления, в которых закреплены концы вала ведущих шестерен, на которых установлены две ведущие шестерни. Ведущие шестерни приводят в действие две полуосевые шестерни, одна из которых размещается на внутреннем конце каждой полуоси (задний мост с зависимой подвеской) или же на внутренней части ведущих валов (мост с независимой подвеской).
Приводя в действие полуоси посредством специального механизма, дифференциал позволяет внешнему ведущему колесу вращаться быстрее внутреннего ведущего колеса. Основная ведущая шестерня и подшипники полуоси, на которые опирается чашка дифференциала, регулируются с помощью прокладок, чтобы обеспечить правильную предварительную нагрузку на подшипники и обеспечить правильное расположение ведущей шестерни и зубчатого венца.
Правильное расположение ведущей шестерни и зубчатого венца относительно друг друга является решающим. Такое расположение может быть достигнуто только путем регулировки с помощью специального приспособления или же благодаря опыту.
Самоблокирующийся дифференциал повышенного трения включает муфты, которые соединяют каждую полуось с чашкой дифференциала. Муфта может включаться либо под действием пружины, либо под действием давления, создаваемого крутящим моментом на осях во время вращения осей. При движении по сухому дорожному покрытию воздействие муфт сцепления преодолевается, и каждое колесо вращается с требуемой скоростью. Когда одно из колес начинает пробуксовывать, муфты передают часть мощности тому колесу, которое имеет большее сцепление с дорогой, из-за наличия муфт самоблокирующийся дифференциал повышенного трения требует специальной смазки.
Определение передаточного числа заднего моста
Как уже упоминалось, ведущий мост имеет определенное передаточное число. Это число (обычно целое с десятыми долями) фактически получается в результате сравнения количества зубьев зубчатого венца ведомой шестерни и ведущей шестерни. Например, передаточное число заднего моста, равное 4.11, означает, что каждому зубу ведущей шестерни соответствует 4.11 зубьев зубчатого венца ведомой шестерни. Разделив количество зубьев ведущей шестерни на количество зубьев зубчатого венца, мы получим передаточное число заднего моста (4.11). Это также является хорошей методикой при определении точного передаточного числа ведущего моста.
Для определения передаточного числа моста по другой методике необходимо приподнять автомобиль с домкрата и подпереть его таким образом, чтобы задние колеса не касались грунта. Нанесите мелом метку на заднее колесо и ведущий вал. Поставьте рычаг коробки передач в нейтральное положение. Проверните заднее колесо на один полный
оборот и подсчитайте количество оборотов, которые сделал ведущий вал. Количество оборотов, которые сделал ведущий вал за один полный оборот заднего колеса, и является приблизительным передаточным числом ведущего моста.
Главная передача является гипоидной с главной шестерней, располагающейся под зубчатым венцом ведомой шестерни. На задних мостах с зависимой подвеской колес каждая полуось входит в шлицевое зацепление с втулкой полуосевых шестерен дифференциала и опирается своим внешним концом на конический роликовый подшипник. Зазор в подшипнике регулируется не с помощью регулировочных прокладок, а определяется толщиной подшипника. Осевые подшипники с обоих концов имеют сальники.
Рекомендации по использованию жидкостей
При обслуживании заднего моста должны применяться API GL-5, MIL-L-2105 В или С, либо аналогичные им материалы с индексом вязкости SAE 90. При температуре ниже 10С используйте SAE 80.
Используйте масла с соответствующими присадками для автомобилей, оборудованных дифференциалом с ограничением пробуксовки.
Проверка уровня См. рис. 4
Уровень жидкости следует проверять каждые 16 000 км пробега.
1. Аккуратно поднимите автомобиль и установите упоры.
2. Отверните пробку контрольного отверстия заднего моста.
3. Проверьте, чтобы уровень масла доходил до уровня контрольного отверстия. При необходимости
долейте.
4. Установите пробку контрольного отверстия на место и опустите автомобиль.

Рис. 4. Проверка уровня масла заднего моста.

Техническое обслуживание
Задний мост: проверить течи/уровень жидкости через каждые 16000 км пробега или раз в год. (Проверить уровень жидкости в случае утечки)
Замена масла - каждые 32000 км или раз в 2 года.
Стояночный тормоз: проверить/отрегулировать - через каждые 16000 км пробега или раз в год.
Тормозные колодки: проверить - через каждые 16000 км пробега или раз в год. (Минимальная толщина накладок задних тормозов - 2 мм. Проверьте толщину тормозного диска при замене колодок)
См. рис. 1 и 2
Передаточное число заднего моста и идентификационный номер (номер узла) содержатся на этикетке, размещенной с левой стороны картера моста (рис. 3), и расшифровываются следующим образом:
Volvo 1030 - стандартный задний мост (снят с производства)
Volvo 1031- для машин с повышенной грузоподъемностью (снят с производства)
Volvo 1041 - задний мост с зависимой подвеской (предназначен для тяжелых условий эксплуатации, создан на базе мостов 1030 и 1031, снятых с производства)
Volvo 1035 — задний мост с независимой подвеской
Volvo 1045 — задний мост с независимой подвеской и с втоматической блокировкой дифференциала


Рис.1. C зависимой подвеской — тип 1030, 1031 и 1041

Рис. 2. Задние мосты с независимой подвеской — тип 1035 и 1045

Рис.3 Расположение индификационной наклейки.

Так выглядит индификационная наклейка, у меня от нее остался обрывок. Её содержание (только то что сохранилось):
...... NR 1216147
...... / 121781
Задние мосты типов 1030 и 1031 оснащены устройством, ограничивающим перемещение (скручивание). Данные мосты имеют стальную крышку смотрового люка.
Задний мост 1041 легко определить по алюминиевой крышке смотрового люка.
Некоторые задние мосты оснащены автоматической блокировкой дифференциала. Механизм регулировки приводится в действие центробежным регулятором. Устройство срабатывает автоматически, когда одно из ведущих колес пробуксовывает при скорости автомобиля менее 40 км/час. Когда автомобиль движется с постоянной скоростью, а оба ведущих вала вращаются с одной и той же скоростью, то функции дифференциала такие же, как и у дифференциала общепринятого типа.
Принцип работы заднего моста
Задний мост представляет собой специальный тип трансмиссии, которая уменьшает скорость вращения, идущую от двигателя и коробки передач, и делит мощность между задними колесами. Мощность передается заднему мосту от ведущего вала через двойной фланец. Фланец крепится на валу ведущей шестерни. Вал ведущей шестерни и шестерня передают мощность дифференциалу. Шестерня на конце вала ведущей шестерни приводит в зацепление зубчатый венец, ось вращения которого повернута на 90° относительно ведущей шестерни. Ведущая шестерня и зубчатый венец уменьшают передаточное отношение заднего моста, а также изменяют направление вращения, поворачивая полуоси, которые приводят во вращение оба колеса. Передаточное отношение заднего моста определяется путем деления количества зубьев ведущей шестерни на количество зубьев зубчатого венца ведомой шестерни.
Зубчатый венец приводит в действие чашку дифференциала. Чашка имеет две точки крепления, в которых закреплены концы вала ведущих шестерен, на которых установлены две ведущие шестерни. Ведущие шестерни приводят в действие две полуосевые шестерни, одна из которых размещается на внутреннем конце каждой полуоси (задний мост с зависимой подвеской) или же на внутренней части ведущих валов (мост с независимой подвеской).
Приводя в действие полуоси посредством специального механизма, дифференциал позволяет внешнему ведущему колесу вращаться быстрее внутреннего ведущего колеса. Основная ведущая шестерня и подшипники полуоси, на которые опирается чашка дифференциала, регулируются с помощью прокладок, чтобы обеспечить правильную предварительную нагрузку на подшипники и обеспечить правильное расположение ведущей шестерни и зубчатого венца.
Правильное расположение ведущей шестерни и зубчатого венца относительно друг друга является решающим. Такое расположение может быть достигнуто только путем регулировки с помощью специального приспособления или же благодаря опыту.
Самоблокирующийся дифференциал повышенного трения включает муфты, которые соединяют каждую полуось с чашкой дифференциала. Муфта может включаться либо под действием пружины, либо под действием давления, создаваемого крутящим моментом на осях во время вращения осей. При движении по сухому дорожному покрытию воздействие муфт сцепления преодолевается, и каждое колесо вращается с требуемой скоростью. Когда одно из колес начинает пробуксовывать, муфты передают часть мощности тому колесу, которое имеет большее сцепление с дорогой, из-за наличия муфт самоблокирующийся дифференциал повышенного трения требует специальной смазки.
Определение передаточного числа заднего моста
Как уже упоминалось, ведущий мост имеет определенное передаточное число. Это число (обычно целое с десятыми долями) фактически получается в результате сравнения количества зубьев зубчатого венца ведомой шестерни и ведущей шестерни. Например, передаточное число заднего моста, равное 4.11, означает, что каждому зубу ведущей шестерни соответствует 4.11 зубьев зубчатого венца ведомой шестерни. Разделив количество зубьев ведущей шестерни на количество зубьев зубчатого венца, мы получим передаточное число заднего моста (4.11). Это также является хорошей методикой при определении точного передаточного числа ведущего моста.
Для определения передаточного числа моста по другой методике необходимо приподнять автомобиль с домкрата и подпереть его таким образом, чтобы задние колеса не касались грунта. Нанесите мелом метку на заднее колесо и ведущий вал. Поставьте рычаг коробки передач в нейтральное положение. Проверните заднее колесо на один полный
оборот и подсчитайте количество оборотов, которые сделал ведущий вал. Количество оборотов, которые сделал ведущий вал за один полный оборот заднего колеса, и является приблизительным передаточным числом ведущего моста.
Главная передача является гипоидной с главной шестерней, располагающейся под зубчатым венцом ведомой шестерни. На задних мостах с зависимой подвеской колес каждая полуось входит в шлицевое зацепление с втулкой полуосевых шестерен дифференциала и опирается своим внешним концом на конический роликовый подшипник. Зазор в подшипнике регулируется не с помощью регулировочных прокладок, а определяется толщиной подшипника. Осевые подшипники с обоих концов имеют сальники.
Рекомендации по использованию жидкостей
При обслуживании заднего моста должны применяться API GL-5, MIL-L-2105 В или С, либо аналогичные им материалы с индексом вязкости SAE 90. При температуре ниже 10С используйте SAE 80.
Используйте масла с соответствующими присадками для автомобилей, оборудованных дифференциалом с ограничением пробуксовки.
Проверка уровня См. рис. 4
Уровень жидкости следует проверять каждые 16 000 км пробега.
1. Аккуратно поднимите автомобиль и установите упоры.
2. Отверните пробку контрольного отверстия заднего моста.
3. Проверьте, чтобы уровень масла доходил до уровня контрольного отверстия. При необходимости
долейте.
4. Установите пробку контрольного отверстия на место и опустите автомобиль.

Рис. 4. Проверка уровня масла заднего моста.

Техническое обслуживание
Задний мост: проверить течи/уровень жидкости через каждые 16000 км пробега или раз в год. (Проверить уровень жидкости в случае утечки)
Замена масла - каждые 32000 км или раз в 2 года.
Стояночный тормоз: проверить/отрегулировать - через каждые 16000 км пробега или раз в год.
Тормозные колодки: проверить - через каждые 16000 км пробега или раз в год. (Минимальная толщина накладок задних тормозов - 2 мм. Проверьте толщину тормозного диска при замене колодок)
_________________
http://www.drive2.ru/cars/lada/4x4_3d/4x4_3d/sdstudio Я на DRIVE2.RU
http://www.drive2.ru/cars/lada/4x4_3d/4x4_3d/sdstudio Я на DRIVE2.RU
-
Не в сети
- Интересующийся

- Сообщения: 164
- Зарегистрирован: Вс сен 14, 2008 20:14 pm
- Автомобиль: ГАЗ 24 1983 г.в.
- Откуда: Тюмень
-
Не в сети
- Освоившийся

- Сообщения: 426
- Зарегистрирован: Сб апр 18, 2009 20:36 pm
- Откуда: Белгород
- Благодарил (а): 5 раз
- Поблагодарили: 1 раз
Народ подскажите пожалуйста при выборе вольво моста на что надо обратить обратить внимание и что забирать от стояночного тормоза .И ещё вопрос я пробовал крутить за полуось кажется это так называется) чувствуются небольшие щелчки это нормально .Интересно много ли гимора при установки всей вольво подвески или овчинка не стоит выделки.И интересно какая самая скоростная пара у них есть.
-
Не в сети
- Заслуженный участник форума

- Сообщения: 2064
- Зарегистрирован: Вс мар 15, 2009 21:32 pm
- Автомобиль: Газ 2410
- Откуда: г.Екатеринбург
- Благодарил (а): 7 раз
- Поблагодарили: 41 раз
Гыыы, дык разные карданы это во втором сообщении в теме, причем в твоем Hellcat
""""""""являясь владельцем 24 с вольвомотом советую не заморачиваться - эффект будет не так крут как этого ждешь - суппорта капризные очень, дорогие + эта ебанутая система ручника (я езжу без него). Затрахаешься с карданом - сплошной чуть длиннее, ломанный чуть короче, а это значит проставки и длинные болты, которые не полезут в штатные отверстия, надо будет рассверливать дыры и тачить шайбы. """""""""
""""""""являясь владельцем 24 с вольвомотом советую не заморачиваться - эффект будет не так крут как этого ждешь - суппорта капризные очень, дорогие + эта ебанутая система ручника (я езжу без него). Затрахаешься с карданом - сплошной чуть длиннее, ломанный чуть короче, а это значит проставки и длинные болты, которые не полезут в штатные отверстия, надо будет рассверливать дыры и тачить шайбы. """""""""
-
Не в сети
- Заслуженный участник форума

- Сообщения: 3122
- Зарегистрирован: Ср янв 03, 2007 19:26 pm
- Автомобиль: ВАЗ-21213 "Нива"
- Откуда: РФ, Саратов
- Благодарил (а): 10 раз
- Поблагодарили: 14 раз
Щелчки есть, это сателлиты. И только когда масло слито. С маслом щелчков не было.N2O писал(а):чувствуются небольшие щелчки это нормально .Интересно много ли гимора при установки всей вольво подвески или овчинка не стоит выделки.И интересно какая самая скоростная пара у них есть.
У меня попался с парой 3,3. Капитан Каталкин по объяве нашел с передаточным отношением 3,72 (41:11).
_________________
http://www.drive2.ru/cars/lada/4x4_3d/4x4_3d/sdstudio Я на DRIVE2.RU
http://www.drive2.ru/cars/lada/4x4_3d/4x4_3d/sdstudio Я на DRIVE2.RU
-
Не в сети
- Заслуженный участник форума

- Сообщения: 3122
- Зарегистрирован: Ср янв 03, 2007 19:26 pm
- Автомобиль: ВАЗ-21213 "Нива"
- Откуда: РФ, Саратов
- Благодарил (а): 10 раз
- Поблагодарили: 14 раз
Подойдет. Вроде алюминивая крышка особенность моста с блокировкой. Но вроде и со стальными есть. Лучше вскрыть вообще и посмотреть.N2O писал(а):Спасибо буду знать .Тут ещё вопросик а мост от 760 подойдёт, просто всё пытаюсь найти чтоб с блокировкой дифферециала был ,тут объявление подвернулось спрашивал владельца говорит что есть только какой то он мутный короче надо смотреть .
_________________
http://www.drive2.ru/cars/lada/4x4_3d/4x4_3d/sdstudio Я на DRIVE2.RU
http://www.drive2.ru/cars/lada/4x4_3d/4x4_3d/sdstudio Я на DRIVE2.RU


