Я засранец сделал себе подогрев зеркал, и просто хвастуюсь.
- Автор
- Сообщение
-
Не в сети
- Интересующийся

- Сообщения: 106
- Зарегистрирован: Пн июн 16, 2008 17:13 pm
-
Не в сети
- Интересующийся

- Сообщения: 106
- Зарегистрирован: Пн июн 16, 2008 17:13 pm
Фотоаппарата нету :)
Зеркала я поменял почти сразу, как купил себе эту машину. Штатные были хоть и хромированные, но очень маленькие. Поставил от 3110.
Поездил, и решил.. В общем, отодрал само зеркало от пластмассовой гмм...пластины (крепится оно тремя полосками двустороннего скотча), вплавил в эту пластмассу четыре резистора, соединил, наружу выплюнул провод (через дверь) и вуаля! Само зеркало приклеить обратно двусторонним скотчем не удалось-резисторы несколько выступали, поэтому посадил его на эпоксидку.
Зеркала я поменял почти сразу, как купил себе эту машину. Штатные были хоть и хромированные, но очень маленькие. Поставил от 3110.
Поездил, и решил.. В общем, отодрал само зеркало от пластмассовой гмм...пластины (крепится оно тремя полосками двустороннего скотча), вплавил в эту пластмассу четыре резистора, соединил, наружу выплюнул провод (через дверь) и вуаля! Само зеркало приклеить обратно двусторонним скотчем не удалось-резисторы несколько выступали, поэтому посадил его на эпоксидку.
-
Не в сети
- Интересующийся

- Сообщения: 106
- Зарегистрирован: Пн июн 16, 2008 17:13 pm
-
Не в сети
- Интересующийся

- Сообщения: 106
- Зарегистрирован: Пн июн 16, 2008 17:13 pm
-
Не в сети
- Почетный форумчанин

- Сообщения: 2432
- Зарегистрирован: Вт май 15, 2007 20:01 pm
- Автомобиль: ГАЗ-24 1971г
- Откуда: Украина, Севастополь
- Благодарил (а): 85 раз
- Поблагодарили: 14 раз
- Контактная информация:
Skrrmrchoh писал(а):Дык я почему и пишу..Никак не работает..Подскажите, в чем проблема ? :)
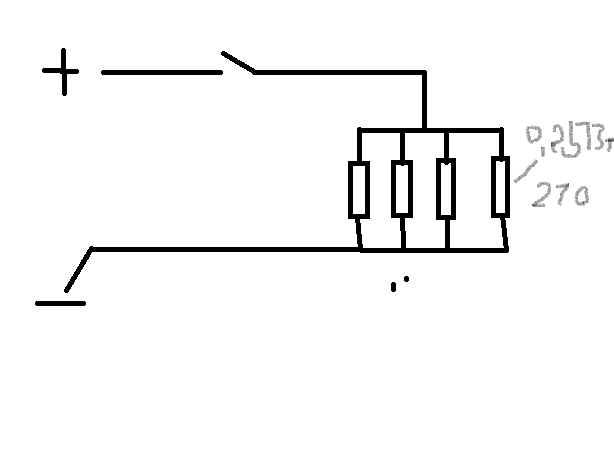
... похоже кто-то ипёт моцк ...Skrrmrchoh писал(а):Да нет, все греет, все замечательно. Кто повторить захочет- В зеркало четыре резистора 270 Ом, соединены параллельно...Я ставил мощностью 0,25Вт-чтобы было можно спрятать под зеркалом.
-
Не в сети
- Интересующийся

- Сообщения: 106
- Зарегистрирован: Пн июн 16, 2008 17:13 pm
Skrrmrchoh писал(а):отодрал само зеркало от пластмассовой гмм...пластины (крепится оно тремя полосками двустороннего скотча), вплавил в эту пластмассу четыре резистора, соединил, наружу выплюнул провод
ЛёхаМобиль писал(а): Сделать то сделал... а оно хоть работает?
Эник-Беник в город шуток пригласил семь глупых уток, только на седьмые сутки улетели эти утки потому, что эти утки плохо понимали шутки :)Skrrmrchoh писал(а):Дык я почему и пишу..Никак не работает..Подскажите, в чем проблема ?
-
Не в сети
- Интересующийся

- Сообщения: 106
- Зарегистрирован: Пн июн 16, 2008 17:13 pm
-
Не в сети
- Освоившийся

- Сообщения: 401
- Зарегистрирован: Пт июл 11, 2008 18:41 pm
- Откуда: Гагарин Смол. обл.
-
Не в сети
- Освоившийся

- Сообщения: 237
- Зарегистрирован: Пн ноя 29, 2010 22:13 pm
- Автомобиль: Газ 24
- Откуда: Одесская область
- Благодарил (а): 2 раза
- Поблагодарили: 1 раз
Re: Я засранец сделал себе подогрев зеркал, и просто хвастую
user800
Ну ты хоть бы схему кинул, фотку нарисовал, что бы люди и себе сделали и другим показали, а тебе будет честь и похвала. Тем более есть повод для фото тебе ж одно зеркало оторвали, то есть вскрыли черти или "Волговоды" которые хотели узнать схему.
Сделай фото будь другом.
Заранее Спасибо.
Ну ты хоть бы схему кинул, фотку нарисовал, что бы люди и себе сделали и другим показали, а тебе будет честь и похвала. Тем более есть повод для фото тебе ж одно зеркало оторвали, то есть вскрыли черти или "Волговоды" которые хотели узнать схему.
Сделай фото будь другом.
Заранее Спасибо.
-
Не в сети
- none
- Сообщения: 2949
- Зарегистрирован: Пн июл 16, 2007 22:49 pm
- Откуда: Воронеж-Москва
- Благодарил (а): 6 раз
- Поблагодарили: 15 раз
Re: Я засранец сделал себе подогрев зеркал, и просто хвастую
Andrey, он уже ничего не сфоткает: посмотри внимательно на ник - аккаунт удален.
_________________
Вы не стесняйтесь - вы спрашивайте. Я расскажу.
Вы не стесняйтесь - вы спрашивайте. Я расскажу.
-
Не в сети
- Освоившийся

- Сообщения: 577
- Зарегистрирован: Пт ноя 05, 2010 20:26 pm
- Автомобиль: Газ-24
- Телефон: 89283213109
- Откуда: Ставрополь
- Благодарил (а): 16 раз
- Поблагодарили: 5 раз
Re: Я засранец сделал себе подогрев зеркал, и просто хвастую
чет мужики не в те дебри полезли... 0,25 Вт греть не будет, так как эта величина показывает количество максимального тепла, рассеиваемого с поверхности резистора без разрушения его самого. поэтому нужно брать помощнее, но, так как бочонки под зеркалом = полная хрень берем токопроводящий клей, типа такого ( http://www.chipdip.ru/product0/28968.aspx ), наносим с обратной стороны зеркала рисунком очень плотной змейки. в выводы подводим медные провода, аккуратно кладем на просушку. после просушки аккуратно наносим умеренный слой зпоксидки, или кондитерского крема, кому как по вкусу. ждем пока смола станет. далее ставим и кончаем от проделанной работы, катаемся и обсыкаем встречных кипятком.
_________________
http://www.total-hydro.com
http://www.total-hydro.com
-
Не в сети
- Заглянувший

- Сообщения: 1
- Зарегистрирован: Сб дек 25, 2010 23:45 pm
- Автомобиль: Газ 31029
Re: Я засранец сделал себе подогрев зеркал, и просто хвастую
Зачем мастерить велосипед, я своему знакомому вставлял 25 ваттную лампочку в корпус зеркала, а с обратной стороны в этом же корпусе резалось окошко и закрывалось бледно-оранжевым катафотом, и красиво и функционально, от лампы стекло греется и не мерзнет, а катафот светится светом как габарит.
-
Не в сети
- Заслуженный участник форума

- Сообщения: 3097
- Зарегистрирован: Пн авг 10, 2009 16:54 pm
- Автомобиль: ГАЗ 2410, цвет Серо-ржавый. ГАЗ 3102, цвет Серый
- Откуда: Нижний Новгород
- Благодарил (а): 14 раз
- Поблагодарили: 44 раза
Re: Я засранец сделал себе подогрев зеркал, и просто хвастую
Страдальцы, блин. Есть готовые нагревательные элементы. А для Волг с дверями типа 3102 - попадаются готовые зеркала с подогревом.
-
Не в сети
- Заслуженный участник форума

- Сообщения: 4388
- Зарегистрирован: Сб апр 11, 2009 0:43 am
- Автомобиль: ГАЗ-24 1981год Темно-зелёная Бетси
- Откуда: Россия, Рязань
- Благодарил (а): 6 раз
- Поблагодарили: 39 раз
Re: Я засранец сделал себе подогрев зеркал, и просто хвастую
помню в газелевские зеркала мы лампочки вставляли 12 вольтовые. отогревали. правда не мнгновенно.
_________________
Я понял, в чем ваша беда. - Вы слишком серьезны. Серьезное выражение лица – вовсе не признак ума.Все глупости на земле совершались именно с этим выражением лица... Улыбайтесь, господа... Улыбайтесь...
Я понял, в чем ваша беда. - Вы слишком серьезны. Серьезное выражение лица – вовсе не признак ума.Все глупости на земле совершались именно с этим выражением лица... Улыбайтесь, господа... Улыбайтесь...
-
Не в сети
- Освоившийся

- Сообщения: 378
- Зарегистрирован: Ср дек 29, 2010 20:22 pm
- Автомобиль: газ 24 1984
- Телефон: 9196871078
- Откуда: РТ Мамадыш
- Поблагодарили: 16 раз
Re: Я засранец сделал себе подогрев зеркал, и просто хвастую
Лампочки в зеркала это гут ,но опять таки какие зеркала: на пример если с регулировкой из салона(ручка или электро) думаю непроканает потому что щели между корпусом и полотном имеются и толку от лампочки небудет
я так думаю!
-
Не в сети
- Заслуженный участник форума

- Сообщения: 4388
- Зарегистрирован: Сб апр 11, 2009 0:43 am
- Автомобиль: ГАЗ-24 1981год Темно-зелёная Бетси
- Откуда: Россия, Рязань
- Благодарил (а): 6 раз
- Поблагодарили: 39 раз
Re: Я засранец сделал себе подогрев зеркал, и просто хвастую
ну я ж сказал газелевские (старого образца).
_________________
Я понял, в чем ваша беда. - Вы слишком серьезны. Серьезное выражение лица – вовсе не признак ума.Все глупости на земле совершались именно с этим выражением лица... Улыбайтесь, господа... Улыбайтесь...
Я понял, в чем ваша беда. - Вы слишком серьезны. Серьезное выражение лица – вовсе не признак ума.Все глупости на земле совершались именно с этим выражением лица... Улыбайтесь, господа... Улыбайтесь...
-
Не в сети
- Освоившийся

- Сообщения: 378
- Зарегистрирован: Ср дек 29, 2010 20:22 pm
- Автомобиль: газ 24 1984
- Телефон: 9196871078
- Откуда: РТ Мамадыш
- Поблагодарили: 16 раз
Re: Я засранец сделал себе подогрев зеркал, и просто хвастую
Понятно , я просто уточнил если кто будет заморачиватся чтобы обратил так сказать внимание на сей нюуансЛосяш писал(а):ну я ж сказал газелевские (старого образца).
-
Не в сети
- Заслуженный участник форума

- Сообщения: 8478
- Зарегистрирован: Чт апр 09, 2009 20:37 pm
- Автомобиль: ГАЗ 21И 1961г.
- Откуда: CCCР Три шурупа.
- Благодарил (а): 17 раз
- Поблагодарили: 73 раза
Re: Я засранец сделал себе подогрев зеркал, и просто хвастую
Гибкие нагревательные элементы для подогрева зеркал, размер 145х87
Стоимость 350 руб за пару.
Есть комплекты на газель, зеркала нового образца, стоимость - 450 руб
Так же имеются на заказ нагревательные элементы для грузовых авто 12 и 24 вольта, стоимость 500 - руб, размеры 380х150 , 226х110 , 214х214.
Покупайте, устанавливайте, радуйтесь всю зиму чистым зеркалам.
Забудьте про отшкрябывание замерзших зеркал.
Тел - 89279448044
ICQ - 407249214

Стоимость 350 руб за пару.
Есть комплекты на газель, зеркала нового образца, стоимость - 450 руб
Так же имеются на заказ нагревательные элементы для грузовых авто 12 и 24 вольта, стоимость 500 - руб, размеры 380х150 , 226х110 , 214х214.
Покупайте, устанавливайте, радуйтесь всю зиму чистым зеркалам.
Забудьте про отшкрябывание замерзших зеркал.
Тел - 89279448044
ICQ - 407249214





