И сново про зажигание с ДХ

Комлексно про электрооборудование
  • Автор
  • Сообщение
Не в сети
Аватара пользователя
Интересующийся
Интересующийся
Сообщения: 53
Зарегистрирован: Чт окт 27, 2011 21:23 pm
Автомобиль: ездил на ГАЗ-24-02
Откуда: Донецк

Re: И сново про зажигание с ДХ

#91

Сообщение sergkyk » Сб янв 14, 2012 15:10 pm

Купил все для установки БСЗ - трамблер с датчиком Холла 54-06.37.06-05 ZK, катушку восьмерочную словацкую, коммутатор 0529.3734, шнурок для соединения всего этого хозяйства, свечи Brisk NR15S.
Вопрос в следующем: в магазине продавец сказал, что красно-коричневый провод от коммутатора идет на клемму катушки, обозначенную "+", синий провод идет на клемму "-", а провод от замка зажигания тоже идет на "+" катушки. Тут же по выложенной схеме провод от замка зажигания идет на "-" клемму катушки.
Z.A. писал(а): Изображение
Разъясните пожалуйста :dnk:

Не в сети
Аватара пользователя
Заслуженный участник форума
Заслуженный участник форума
Сообщения: 4538
Зарегистрирован: Вс сен 13, 2009 11:03 am
Автомобиль: ГАЗ 24, ВАЗ 21099, Ford Mustang SN95
Откуда: Москва, Тушино
Благодарил (а): 19 раз
Поблагодарили: 183 раза

Re: И сново про зажигание с ДХ

#92

Сообщение Sebastian » Сб янв 14, 2012 17:22 pm

sergkyk, в схеме всё правильно нарисовано. Забей на цвета - смотри по распиновке коммутатора. Первый контакт - коммутатация, на клемму "К" катушки, четвертый контакт - питание +12, на клемму "Б". Также на клемму "Б" цепляется +12 с замка зажигания.
_________________
Дети, нашей Волге снова семнадцать, вы просто поверьте, а поймете потом.

Не в сети
Аватара пользователя
Заслуженный участник форума
Заслуженный участник форума
Сообщения: 4938
Зарегистрирован: Пт окт 05, 2007 10:54 am
Автомобиль: ГАЗ-24, 77год. ВАЗ-1117.
Откуда: Новочеркасск, Ростовская обл.
Благодарил (а): 113 раз
Поблагодарили: 242 раза

Re: И сново про зажигание с ДХ

#93

Сообщение СержНовоч » Сб янв 14, 2012 20:22 pm

То есть, забей на советы прдавца - он всего лишь продавец, а не автоэлектрик! Проверяй схему купленного жгута сам.
_________________
ГАЗ-24, 77год, 290т.км. Без наворотов. В ожидании ремонта кузова...

Не в сети
Аватара пользователя
Интересующийся
Интересующийся
Сообщения: 53
Зарегистрирован: Чт окт 27, 2011 21:23 pm
Автомобиль: ездил на ГАЗ-24-02
Откуда: Донецк

Re: И сново про зажигание с ДХ

#94

Сообщение sergkyk » Вс янв 15, 2012 10:30 am

Спасибо. Но тогда возникает следующий вопрос: что у данной катушки К, а что Б?
Вложения
P1150075.jpg
P1150074.jpg

Не в сети
Аватара пользователя
Заслуженный участник форума
Заслуженный участник форума
Сообщения: 4538
Зарегистрирован: Вс сен 13, 2009 11:03 am
Автомобиль: ГАЗ 24, ВАЗ 21099, Ford Mustang SN95
Откуда: Москва, Тушино
Благодарил (а): 19 раз
Поблагодарили: 183 раза

Re: И сново про зажигание с ДХ

#95

Сообщение Sebastian » Вс янв 15, 2012 13:00 pm

Скорее всего "+" - это "Б", а "-" - это "К" (просто по логике - на Б подается +12, а К через мутатор соединяется с массой), но для уверенности я бы всё-таки потыкал в неё тестером.
_________________
Дети, нашей Волге снова семнадцать, вы просто поверьте, а поймете потом.

Не в сети
Аватара пользователя
Заслуженный участник форума
Заслуженный участник форума
Сообщения: 4938
Зарегистрирован: Пт окт 05, 2007 10:54 am
Автомобиль: ГАЗ-24, 77год. ВАЗ-1117.
Откуда: Новочеркасск, Ростовская обл.
Благодарил (а): 113 раз
Поблагодарили: 242 раза

Re: И сново про зажигание с ДХ

#96

Сообщение СержНовоч » Вс янв 15, 2012 15:44 pm

Тыкание тестером ничего не даст! Невозможно отличить эти выводы, проверяя катушку постоянным током. И ошибка в выводах катушки не приносит каких-либо опасных последствий.
_________________
ГАЗ-24, 77год, 290т.км. Без наворотов. В ожидании ремонта кузова...

Не в сети
Аватара пользователя
Интересующийся
Интересующийся
Сообщения: 53
Зарегистрирован: Чт окт 27, 2011 21:23 pm
Автомобиль: ездил на ГАЗ-24-02
Откуда: Донецк

Re: И сново про зажигание с ДХ

#97

Сообщение sergkyk » Вс янв 15, 2012 18:22 pm

Подключил систему зажигания. Действительно, "+" - это "Б" контакт а "-" - "К".
Проблема возникла следующая: после подключения и выставления зажигания завести не удалось. Думал что не тот провод взял от замка зажигания. Прикрутил другой провод, который шел до этого на ВК-Б клемму старой катушки. Не завелась. Вернул предыдущий провод, проверил искру - искра идет, по воздуху мм 15 пробивает. Но тут стартер стал крутить рывками (на видео ниже показано). Пробовал крутить стартером с выкрученными свечами - крутит легко и равномерно. Пробовал крутить ручкой. С выкрученными свечами легко, с вкрученными крутится, но тяжело. С чем может быть связано? Аккумулятор был заряженный вроде (не было мультиметра проверить напряжение).
Вложения
P1150078.jpg
P1150077.jpg

Не в сети
Аватара пользователя
Освоившийся
Освоившийся
Сообщения: 473
Зарегистрирован: Вс сен 25, 2011 19:51 pm
Автомобиль: ГАЗ М20 1953 г.в.
Откуда: Донецк
Благодарил (а): 39 раз
Поблагодарили: 13 раз

Re: И сново про зажигание с ДХ

#98

Сообщение Maximko » Вс янв 15, 2012 21:22 pm

Ну если стартер крутит рывками при заводке, то значит зажигание сбито
_________________
ГАЗ М20 1953 г.в. (ЗМЗ-24Д, КПП ГАЗ-24, ЗМ ГАЗ-21)

Не в сети
Аватара пользователя
Заслуженный участник форума
Заслуженный участник форума
Сообщения: 5978
Зарегистрирован: Сб сен 04, 2010 20:38 pm
Автомобиль: ГАЗ 2410 1986 г.р.
Откуда: Украина . Дн-ская обл . Павлоград.
Благодарил (а): 20 раз
Поблагодарили: 238 раз

Re: И сново про зажигание с ДХ

#99

Сообщение Scy.thian » Вс янв 15, 2012 22:03 pm

СержНовоч писал(а):Тыкание тестером ничего не даст! Невозможно отличить эти выводы, проверяя катушку постоянным током. И ошибка в выводах катушки не приносит каких-либо опасных последствий.
Тестером не отличить.Ога.
Опасных не приносит, а неприятные - аж бегом. :mad:
Реверсивный разряд называется. Т.е. когда на центральном электроде свечи вместо положительного импульса имеем отрицательный импульс с ТОЧНО ТАКОЙ-ЖЕ АМПЛИТУДОЙ, пробивной промежуток значительно уменьшается.
И получаем результат:
"И машина как машина, и искра как горошина, и бензина полон бак, да не заводится никак"

-- Вс янв 15, 2012 21:05 pm --
sergkyk писал(а):Пробовал крутить ручкой.
Вот-вот.
И в это время подключи свечи, и включи зажигание(заземлив резьбы свечей ОБЯЗАТЕЛЬНО) и проверь чередование горшкоФФ , и момент искрообразования.
Бывают сюрпризы. :ara:
_________________
Моя анкета

Мысли не деньги, лишними не бывают.
К Прутков-инженер Мысль N 1

Не в сети
Аватара пользователя
Интересующийся
Интересующийся
Сообщения: 53
Зарегистрирован: Чт окт 27, 2011 21:23 pm
Автомобиль: ездил на ГАЗ-24-02
Откуда: Донецк

Re: И сново про зажигание с ДХ

#100

Сообщение sergkyk » Вс янв 15, 2012 22:58 pm

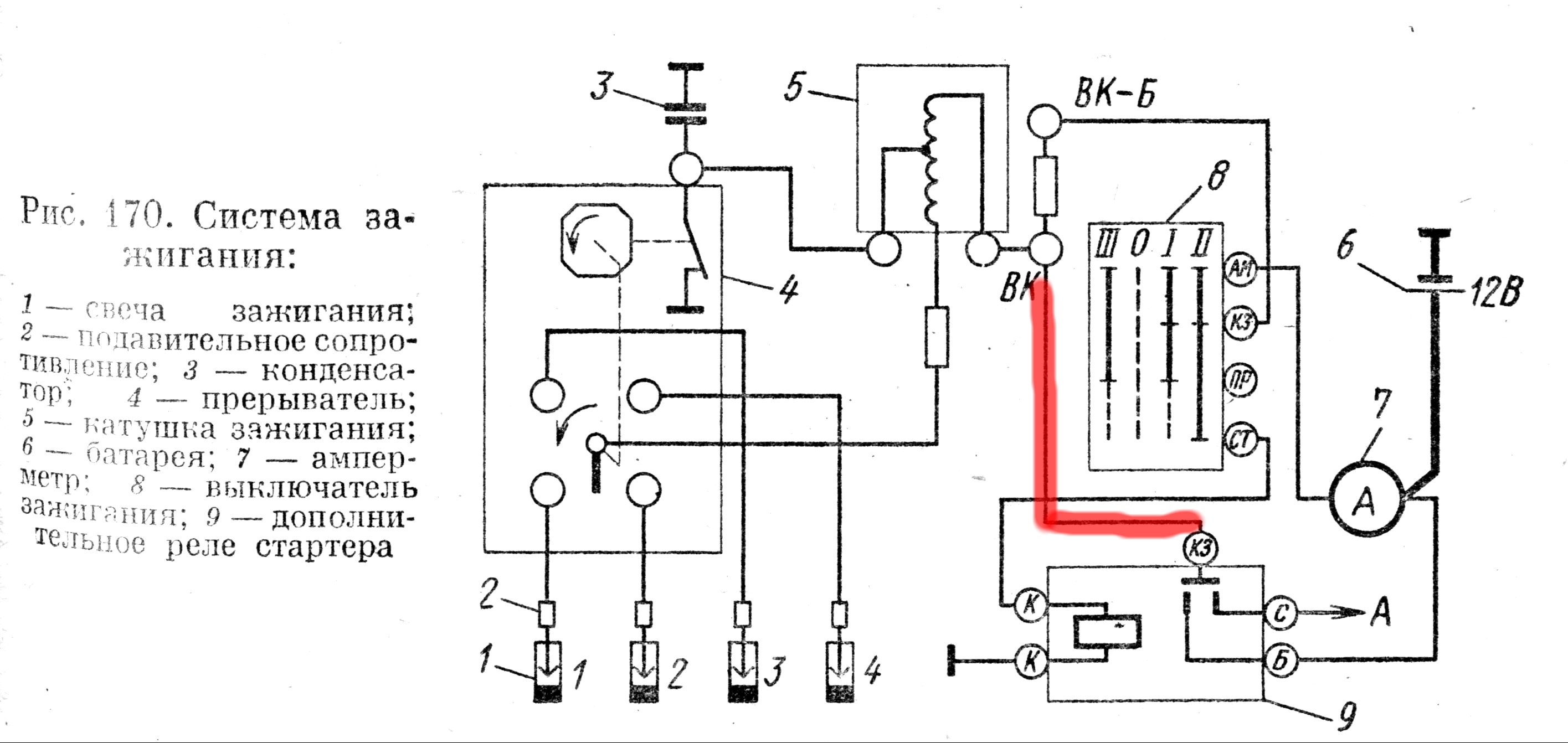
Вопрос: на старую катушку на клемму ВК шел провод с дополнительного реле стартера (см. схему). Сейчас он отключен и заизолирован. Так и должно быть?
У меня еще есть мысли что сел аккумулятор (хотя сначала крутил бодро) или может проблема в самом стартере.
Вложения
Image.jpg

Не в сети
Аватара пользователя
Заслуженный участник форума
Заслуженный участник форума
Сообщения: 5978
Зарегистрирован: Сб сен 04, 2010 20:38 pm
Автомобиль: ГАЗ 2410 1986 г.р.
Откуда: Украина . Дн-ская обл . Павлоград.
Благодарил (а): 20 раз
Поблагодарили: 238 раз

Re: И сново про зажигание с ДХ

#101

Сообщение Scy.thian » Вс янв 15, 2012 23:18 pm

sergkyk писал(а):У меня еще есть мысли что сел аккумулятор (хотя сначала крутил бодро) или может проблема в самом стартере.
Если "до того как" всё работало, а "после того как " перестало, то и искать нужно там , где это самое "того как " и делалось, а не распылятся по всему автомобилю.
:nice:
Зы.
Чисто практический вывод . :ara:

-- Вс янв 15, 2012 22:20 pm --
sergkyk писал(а): Так и должно быть?
Да.
_________________
Моя анкета

Мысли не деньги, лишними не бывают.
К Прутков-инженер Мысль N 1

Не в сети
Интересующийся
Интересующийся
Сообщения: 106
Зарегистрирован: Вт май 25, 2010 14:13 pm
Автомобиль: газ-24
Откуда: Санкт-Петербург
Благодарил (а): 1 раз
Поблагодарили: 4 раза

Re: И сново про зажигание с ДХ

#102

Сообщение Газ-2401-78 » Пн янв 16, 2012 0:04 am

Scy.thian писал(а):проверь чередование горшкоФФ , и момент искрообразования.
Проверь куда будет смотреть бегунок при установке зажигания. Если не на 1-й как обычно цилиндр, а на 4-й (так бывает при замене обычного трамблера на трамблер с ДХ), то переставь соответственно провода.

Tod
Не в сети
Заглянувший
Заглянувший
Сообщения: 14
Зарегистрирован: Вт июл 14, 2009 18:10 pm
Откуда: Казань

Re: И сново про зажигание с ДХ

#103

Сообщение Tod » Пн янв 16, 2012 9:33 am

Стробоскопом здорово бы зажигание выставить вконце, а не на слух. Без трубочки опережения.
_________________
[url=http://nick-name.ru/sertificates/47395/][img]http://nick-name.ru/forum/Tod.gif[/img][/url]

Не в сети
Аватара пользователя
Заслуженный участник форума
Заслуженный участник форума
Сообщения: 4893
Зарегистрирован: Ср авг 19, 2009 17:55 pm
Автомобиль: ГАЗ-24 1979
Откуда: Санкт-Петербург
Благодарил (а): 50 раз
Поблагодарили: 45 раз

Re: И сново про зажигание с ДХ

#104

Сообщение Наиль » Пн янв 16, 2012 9:38 am

Газ-2401-78 писал(а):
Scy.thian писал(а):проверь чередование горшкоФФ , и момент искрообразования.
Проверь куда будет смотреть бегунок при установке зажигания. Если не на 1-й как обычно цилиндр, а на 4-й (так бывает при замене обычного трамблера на трамблер с ДХ), то переставь соответственно провода.
Вот это очень дельный совет!
БК трамблер с ДХ относительно родного контактного как раз на 180 градусов отличается в плане раздачи искры по цилиндрам :RTFM:
_________________
ГАЗ 24 сине-серая 1979 год
Красный салон
КПП 5ст 3110
Перед - шары 31105
Зад - мост 31105 + стабилизатор
Электрика - проводка хитровыкрученная Лексом:) + спарка карлсонов от ШНивы
Моя анкета viewtopic.php?t=69287

Не в сети
Аватара пользователя
Интересующийся
Интересующийся
Сообщения: 53
Зарегистрирован: Чт окт 27, 2011 21:23 pm
Автомобиль: ездил на ГАЗ-24-02
Откуда: Донецк

Re: И сново про зажигание с ДХ

#105

Сообщение sergkyk » Пн янв 16, 2012 22:56 pm

Спасибо всем за помощь!
Неправильно был выставлен бегунок (между 1 и 3 цилиндрами). Решил проблему проворотом трамблера в силуминовом хомуте.
Машина завелась, покрутил трамблер от одного крайнего положения в котором глохнет до другого, выставил примерно посередине. Установить точнее не успел. Займусь на выходных.
Еще раз всем спасибо :victory:

N2O
Не в сети
Аватара пользователя
Освоившийся
Освоившийся
Сообщения: 426
Зарегистрирован: Сб апр 18, 2009 20:36 pm
Откуда: Белгород
Благодарил (а): 5 раз
Поблагодарили: 1 раз

Re: И сново про зажигание с ДХ

#106

Сообщение N2O » Пн фев 13, 2012 1:19 am

Прикупил коммутатор для этого зажигания только вот какой то он не такой :nice:
Изображение
Без площадки алюминиевой без неё можно или самодельную площадку сделать?

Не в сети
Аватара пользователя
Заслуженный участник форума
Заслуженный участник форума
Сообщения: 4938
Зарегистрирован: Пт окт 05, 2007 10:54 am
Автомобиль: ГАЗ-24, 77год. ВАЗ-1117.
Откуда: Новочеркасск, Ростовская обл.
Благодарил (а): 113 раз
Поблагодарили: 242 раза

Re: И сново про зажигание с ДХ

#107

Сообщение СержНовоч » Пн фев 13, 2012 11:20 am

Поробуй , если сильно нагреваться не будет, может и без радиатора будет работать. Но лучше сделать пластину, тогда и крепление стандартное будет под любой коммутатор.
_________________
ГАЗ-24, 77год, 290т.км. Без наворотов. В ожидании ремонта кузова...

Не в сети
Аватара пользователя
Заслуженный участник форума
Заслуженный участник форума
Сообщения: 5978
Зарегистрирован: Сб сен 04, 2010 20:38 pm
Автомобиль: ГАЗ 2410 1986 г.р.
Откуда: Украина . Дн-ская обл . Павлоград.
Благодарил (а): 20 раз
Поблагодарили: 238 раз

Re: И сново про зажигание с ДХ

#108

Сообщение Scy.thian » Пн фев 13, 2012 18:23 pm

N2O писал(а):Без площадки алюминиевой без неё можно или самодельную площадку сделать?
ПО поводу опасения перегревов коммутатора, я думаю не следует опасаться. Новые комплектующие имеют меньшие потери в виде тепла на корпусе. Наука не стоит на месте.
_________________
Моя анкета

Мысли не деньги, лишними не бывают.
К Прутков-инженер Мысль N 1

Не в сети
Аватара пользователя
Волговод со стажем
Волговод со стажем
Сообщения: 1008
Зарегистрирован: Вс июл 11, 2010 16:15 pm
Автомобиль: ГАЗ 24-10
Откуда: Донецк (Украина)
Благодарил (а): 15 раз
Поблагодарили: 25 раз

Re: И сново про зажигание с ДХ

#109

Сообщение Wladimir_Donetsk » Пн фев 13, 2012 21:37 pm

N2O писал(а):Без площадки алюминиевой без неё можно или самодельную площадку сделать?
Втулки болтов(винтов) крепления и есть теплоотвод, пластину лучше латунную, чтобы не было гальванической пары (алюминий/медь[латунь]), и окисления в месте контакта.
_________________
Журнал

N2O
Не в сети
Аватара пользователя
Освоившийся
Освоившийся
Сообщения: 426
Зарегистрирован: Сб апр 18, 2009 20:36 pm
Откуда: Белгород
Благодарил (а): 5 раз
Поблагодарили: 1 раз

Re: И сново про зажигание с ДХ

#110

Сообщение N2O » Пн фев 13, 2012 23:27 pm

Спасибо тем кто отозвался.
СержНовоч писал(а):Поробуй , если сильно нагреваться не будет, может и без радиатора будет работать. Но лучше сделать пластину, тогда и крепление стандартное будет под любой коммутатор.
Scy.thian писал(а):ПО поводу опасения перегревов коммутатора, я думаю не следует опасаться. Новые комплектующие имеют меньшие потери в виде тепла на корпусе. Наука не стоит на месте.
На коммутаторе есть направляющие да и в комплекте я так понял есть термопаста, походу он идет как ремкомплект.
Wladimir_Donetsk писал(а): пластину лучше латунную, чтобы не было гальванической пары
Да гдеш её взять, а я хотел люминь, а если через термопасту, хоть иди покупай новый коммутатор ради площадки.)

Не в сети
Аватара пользователя
Заслуженный участник форума
Заслуженный участник форума
Сообщения: 4938
Зарегистрирован: Пт окт 05, 2007 10:54 am
Автомобиль: ГАЗ-24, 77год. ВАЗ-1117.
Откуда: Новочеркасск, Ростовская обл.
Благодарил (а): 113 раз
Поблагодарили: 242 раза

Re: И сново про зажигание с ДХ

#111

Сообщение СержНовоч » Вт фев 14, 2012 5:44 am

Люминь - пойдет! Ты же не на днище его ставить будешь.
_________________
ГАЗ-24, 77год, 290т.км. Без наворотов. В ожидании ремонта кузова...

Не в сети
Аватара пользователя
Волговод со стажем
Волговод со стажем
Сообщения: 1008
Зарегистрирован: Вс июл 11, 2010 16:15 pm
Автомобиль: ГАЗ 24-10
Откуда: Донецк (Украина)
Благодарил (а): 15 раз
Поблагодарили: 25 раз

Re: И сново про зажигание с ДХ

#112

Сообщение Wladimir_Donetsk » Вт фев 14, 2012 11:20 am

N2O писал(а):а я хотел люминь, а если через термопасту,
В правильно поставленном вопросе присутствует ответ! :good:
_________________
Журнал

Не в сети
Аватара пользователя
Освоившийся
Освоившийся
Сообщения: 590
Зарегистрирован: Пт май 21, 2010 17:46 pm
Автомобиль: Белая Ласточка ГАЗ 24-01, 1975 г.р.
Откуда: Тула - Город Герой !!
Благодарил (а): 10 раз
Поблагодарили: 5 раз

Re: И сново про зажигание с ДХ

#113

Сообщение redhand_13th » Ср фев 15, 2012 17:31 pm

За всё время пользования зажигания с ДХ сменил три коммутатора. Первый, не помню какой, АСТРО какой-то, сдох довольно быстро.
Поставил от 2108 тоже АСТРО. Всё бы ничего, но случалось так, что глох и несколько минут не мог завести - перегревался коммутатор, в роли радиатора была лишь алюминиевая ровная пластинка.
Решил купить что-нибудь другое, выбор пал на коммутатор K.A.E. Германия за почти 600р, без коробочки. Сделан добротно, не греется вообще, радиатор отличный. По поводу работу - двигатель стал работать ровней, резвей набирать обороты и прибавил в мощности. Я доволен :good:

Всегда устанавливал у себя коммутаторы на левой(по ходу движения) укосине через КПТ-8.

http://www.auto-geo.ru/shop/images/12170.jpg вот такой.

-- Пт фев 17, 2012 18:38 pm --

N2O, а этот коммутатор от AUDI ?? И как он дружит с нашими движками ?? Интересно стало :)

N2O
Не в сети
Аватара пользователя
Освоившийся
Освоившийся
Сообщения: 426
Зарегистрирован: Сб апр 18, 2009 20:36 pm
Откуда: Белгород
Благодарил (а): 5 раз
Поблагодарили: 1 раз

Re: И сново про зажигание с ДХ

#114

Сообщение N2O » Вс фев 19, 2012 11:31 am

redhand_13th писал(а):N2O, а этот коммутатор от AUDI ?? И как он дружит с нашими движками ?? Интересно стало :)
Да хз на какие он машины подходит, просто мортис прописал номерок в F.A.Q. вот и стало интересно, купил сам коммутатор и катушку бош , довольно все дорого)
По работе еще не знаю не ставил.:)

Не в сети
Аватара пользователя
Освоившийся
Освоившийся
Сообщения: 590
Зарегистрирован: Пт май 21, 2010 17:46 pm
Автомобиль: Белая Ласточка ГАЗ 24-01, 1975 г.р.
Откуда: Тула - Город Герой !!
Благодарил (а): 10 раз
Поблагодарили: 5 раз

Re: И сново про зажигание с ДХ

#115

Сообщение redhand_13th » Вс фев 19, 2012 22:12 pm

N2O, прочёл в Инете, что это от немцев, Ауди 100. Цена около 1.5к, довольно прилично за коммутатор)
Ответить